ສົ່ງອີເມວຫາພວກເຮົາ
ຂ່າວ

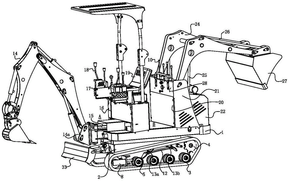
ການກໍ່ສ້າງແລະການບໍາລຸງຮັກສາຂອງ mini ຂອງ excaves mini

ການກໍ່ສ້າງແລະການບໍາລຸງຮັກສາຂອງ mini ຂອງ excaves mini


ນະວັດຕະກໍາການຂຸດຄົ້ນ Mini


1, ການວິເຄາະການກໍ່ສ້າງຂອງ mini

ລະບົບເວລາຍ່າງແລະເວລາຍ່າງ:


ການອອກແບບທີ່ບໍ່ມີສີສັນທີ່ບໍ່ມີເສັ້ນທາງທີ່ບໍ່ມີຢາ. ໃນເວລາດຽວກັນ, ເຄື່ອງຂຸດຂະຫນາດນ້ອຍຂອງ 0.8ton ຂອງພວກເຮົາຍັງສາມາດບັນລຸການປ່ຽນແປງຂອງ 1.1m, ໃຫ້ການປະຕິບັດງານທີ່ບໍ່ເສຍຄ່າແລະປ່ຽນແປງໄດ້ໃນສະຖານທີ່ແຄບ.


ກອບການຕິດຕາມທີ່ສາມາດປັບໄດ້: ການດັດແປງທີ່ສາມາດປັບໄດ້ໄດ້ຢ່າງເສລີ (ເຊັ່ນ Sy16C ສະຫນັບສະຫນູນການຂະຫຍາຍ 980-1350 ມມແລະການຫົດຕົວ), ເຮັດໃຫ້ງ່າຍທີ່ຈະຂ້າມໃບໄມ້ທີ່ແຄບ 1 ແມັດ. ຄວາມດັນໃນການຕິດຕາມການຕິດຕາມຢາງພາລາແມ່ນຕໍ່າເທົ່າກັບ 25kpa, ປົກປ້ອງພື້ນທີ່ປູຢາງ.


ຫມີ lubricating ດ້ວຍຕົນເອງ: The Yanmar Chassis ໃຊ້ເຄື່ອງປ່ອນບັດພາດສະຕິກ g iglidur gar ແທນທີ່ຈະເປັນການຕີບານປະເພນີ, ຕ້ານການບໍລິການໂດຍບໍ່ເສຍຄ່າໃນເວລາສາມຄັ້ງ.




ພະລັງງານແລະລະບົບໄຮໂດຼລິກ:


ການປະຕິວັດພະລັງງານສອງຮູບແບບ: ເຄື່ອງຂຸດຂະຫນາດນ້ອຍທີ່ຮັບຮອງເອົາ Kubota kx019, ຊຸດກະທູ້ທີ່ມີການປະຕິບັດງານຈໍານວນເວລາ 20kwh, ເຊິ່ງມີສຽງປະຕິບັດງານ 86 ຊົ່ວໂມງແມ່ນຕໍ່າເທົ່າກັບ 66 decibels.


ການຄວບຄຸມໄຮໂດຼລິກແບບສະຫຼາດ: LOAD LAITY SUSTION TEMNGANG SKIEND SKEPANG SKEX5SR-6)




ການປັບປຸງອຸປະກອນເຮັດວຽກ:


ໃສ່ໂຄງສ້າງທີ່ທົນທານ: ຮ່ວມກັນທີ່ສັບສົນຂອງການຮັກສາຂອງເຄື່ອງຈັກກະທັດຮັດໄດ້ເຮັດໃຫ້ມີການຮັກສາຄວາມຮ້ອນ (ແລະຮາດດິດ HB500), ຂະຫຍາຍຊີວິດການບໍລິການ 30%.


ຂ້າງແຂນທີ່ເຄື່ອນຍ້າຍແຂນ: Kubota U-15-3s ບັນລຸການບ່ຽງເບນ 595mm / deviation ຂວາຂອງ 350mm, ແລະການຂຸດຄົ້ນໃນກໍາແພງຫີນບໍ່ຈໍາເປັນຕ້ອງຍ້າຍຮ່າງກາຍ.


ອຸປະກອນ Rotary, 360 °ການດໍາເນີນງານຮອບ, ປ່ຽນແປງໄດ້ເພື່ອປັບຕົວເຂົ້າກັບສະພາບແວດລ້ອມທີ່ເຮັດວຽກຕ່າງໆ.


ການຍົກລະດັບການໂຕ້ຕອບຂອງຄອມພິວເຕີຂອງມະນຸດ


ມ້ວນໃນໄລຍະ cab ທີ່ທົນທານຕໍ່ການຮັບຮອງໂດຍ rops / fops (ທົນທານຕໍ່ 16 ໂຕນຂອງຫນ້າຈໍສະຖິດ, ແລະ Ai ແວດລ້ອມການຕິດຕາມ, ຫຼຸດຜ່ອນຈຸດບອດ 40%.


2, ການບໍາລຸງຮັກສາແລະບໍາລຸງຮັກສາປະຈໍາວັນ:

ກົດລະບຽບທອງຂອງການບໍາລຸງຮັກສາປະຈໍາວັນ


ການບໍລິຫານນ້ໍາມັນແບບໄຮໂດຼລິກ: ໃຊ້ຕ້ານການໃສ່ນ້ໍາມັນໄຮໂດຼລິກໃນລະດູຮ້ອນແລະນ້ໍາມັນທີ່ມີຄວາມຫນຽວຕ່ໍາ 32 ໃນລະດູຫນາວ. ກວດກາຄວາມສະອາດຂອງ NAS ເປັນປະຈໍາ (≤ລະດັບ 8) ເພື່ອປ້ອງກັນປັ pump ມແລະມືຊົມ.


ວົງຈອນການຕື່ມຂໍ້ມູນໃສ່ມັນເບີ: ໃສ່ນ້ໍາມັນໃນທຸກໆ 10 ວັນສໍາລັບການເກຍຫມູນວຽນ, ແລະສີດໄຟຟ້າທີ່ມີຄວາມກົດດັນທຸກໆຈຸດໃນອຸປະກອນທີ່ເຮັດວຽກເພື່ອຫລີກລ້ຽງການໃສ່ເຂັມ.




ເຕັກນິກການຂະຫຍາຍຊີວິດທີ່ສໍາຄັນ:


ລະບົບຕິດຕາມ: ປັບຄວາມເຄັ່ງຕຶງເພື່ອຫລີກລ່ຽງການຫລີກລ່ຽງການວ່າງເກີນໄປ (ແຂ້ວໂດດ) ຫຼືແຫນ້ນເກີນໄປ (ພັຍໃນການເລັ່ງ); ເຮັດຄວາມສະອາດຫີນເພື່ອປ້ອງກັນບໍ່ໃຫ້ການປະທັບຕາຂອງລໍ້ສະຫນັບສະຫນູນ.


ບໍາລຸງຮັກສາ "ໃສ່ສາມຫລ່ຽມເຫຼັກ":

ຕິດຕາມກວດກາເກີບສໍາລັບຮອຍແຕກ / 500h

drive ແຂ້ວ sprocket ແມ່ນພື້ນທີ່ຮາບພຽງແລະທົດແທນທັນທີ

ການຮົ່ວໄຫຼຂອງນ້ໍາມັນທີ່ບໍ່ມີປະສັກຕ້ອງໄດ້ຮັບການສ້ອມແປງ

ອີງຕາມສະຖິຕິຂອງ Stowers Cat, 80% ຂອງຄວາມລົ້ມເຫຼວຂອງທະຫານເຮືອແມ່ນເກີດມາຈາກສ່ວນປະກອບສາມປະເພດນີ້.


ຄໍາແນະນໍາສໍາລັບການຈັດການກັບສະພາບການເຮັດວຽກທີ່ສຸດ:


ການດໍາເນີນງານລະດັບສູງ: ເຄື່ອງຈັກໃນການຂຸດຄົ້ນຂະຫນາດນ້ອຍຂອງ 15%, ແລະລະບົບໄຮໂດຼລິກແມ່ນຕິດຕັ້ງດ້ວຍວາວການຊົດເຊີຍເພື່ອປ້ອງກັນການສູນເສຍການໄຫຼ.

ການປະຕິບັດງານ Winding Wing: ໃນການກູ້ໄພນ້ໍາຖ້ວມຂອງອິຕາລີ, HX35A ທີ່ທັນສະໄຫມໄດ້ບັນລຸຄວາມເລິກຂອງ 0.8 ແມັດໂດຍຜ່ານໂມດູນວົງຈອນປິດ.


ມາດຕະຖານການເກັບຮັກສາໄລຍະຍາວ:


ຈອດຢູ່ໃນຫ້ອງທີ່ແຫ້ງ, ສະຫນັບສະຫນູນການຕິດຕາມເພື່ອຫຼຸດຜ່ອນຄວາມກົດດັນຂອງການລົງທືນ;

ຕື່ມຂໍ້ມູນໃສ່ຖັງນໍ້າມັນເຊື້ອໄຟເພື່ອປ້ອງກັນການຂົ້ນ, ດຶງກະບອກໄຮໂດຼລິກທັງຫມົດເພື່ອປ້ອງກັນການເຮັດໃຫ້ຜູ້ສູງອາຍຸ;

ເລີ່ມຕົ້ນທຸກໆ 3 ເດືອນເພື່ອປ້ອງກັນບໍ່ໃຫ້ກະດານວົງຈອນຈາກການເຮັດໃຫ້ປຽກ.


ຊາຍແດນ 3, ຊາຍແດນເຕັກໂນໂລຢີແລະການສ້າງໂຄງສ້າງນິຕິກໍາແລະສະຫຼາດຂອງນິເວດວິທະຍາອຸດສາຫະກໍາ

ການປະຕິວັດພະລັງງານ:


ແບດເຕີລີ່ແບບໂມດູນ: Hitachi ZX55UA-6EB ສະຫນັບສະຫນູນການຂັບຂີ່ສອງຢ່າງຂອງພະລັງງານການຄ້າແລະແບດເຕີລີ່, ມີການປະຕິບັດງານ 10 ຊົ່ວໂມງໃນເວລາ 6 ຊົ່ວໂມງ.


ການທົດສອບພະລັງງານຂອງ Hydrogen: HD HDundai ໄດ້ສ້າງເຄື່ອງຈັກຜະລິດນ້ໍາມັນເຊື້ອໄຟ hydrogen (HX12) ເພື່ອບັນລຸການກໍ່ສ້າງກາກບອນ.


ການບໍາລຸງຮັກສາການຄາດເດົາ:


ອັດຕາການບົ່ງມະຕິໄລຍະໄກ IOt SyiS Sy35u ແມ່ນມີລະບົບການຫາຄູ່ສະບາຍດີ, ເຊິ່ງວິເຄາະອຸນຫະພູມຂອງນ້ໍາມັນແລະການສັ່ນສະເທືອນໃນເວລາທີ່ມີຄວາມຖືກຕ້ອງຂອງ 92%.


ການຊ່ວຍເຫຼືອໃນການບໍາລຸງຮັກສາ AR: Kaise Micre Excaventor ໃຫ້ການຝຶກອົບຮົມການດໍາເນີນງານຂອງ Kaise Medic ສໍາລັບເຄື່ອງຂຸດສໍາລັບຂະຫນາດນ້ອຍ, simulating 30 ສະຖານະການຄວາມຜິດແລະປັບປຸງປະສິດທິພາບໃນການບໍາລຸງຮັກສາ.


4, ເປັນພະຍານພາກປະຕິບັດ: ຈາກການຟື້ນຟູເຮືອນເກົ່າແກ່ໃນການແກ້ໄຂບັນຫາບໍ່ແຮ່

ການຟື້ນຟູທີ່ພັກອາໄສຂອງການ ming ແລະ Q SPUNSI WEVLAR: KUBOTA U-15-3 ຫນ້າທີ່ການເຄື່ອນໄຫວຂອງ KURTERS


ການປະຕິບັດງານຢູ່ໃຕ້ດິນທີ່ບໍ່ມີການຂຸດຄົ້ນບໍ່ແຮ່ທອງແດງທີ່ມີການປ່ຽນແປງຢ່າງຕໍ່ເນື່ອງເປັນເວລາ 300 ຊົ່ວໂມງໂດຍບໍ່ຕ້ອງເສຍຄ່າໃຊ້ຈ່າຍໃນການໂຫຼດ.


ການກໍ່ສ້າງສະຫນາມກິລາເທັກນິກໃນຕອນກາງຄືນຂອງເທັກນິກ: ສະບັບໄຟຟ້າ Seny Syy Sy19e ດໍາເນີນງານຢ່າງງຽບໆໃນເວລາ 66 decibels, ແກ້ໄຂບັນຫາຂອງ "ປ່ອງຢ້ຽມຂອງເວລາການກໍ່ສ້າງ" ຂອງເມືອງ.


ສະຫຼຸບ: ຮ່າງກາຍຂະຫນາດນ້ອຍມີອະນາຄົດອັນໃຫຍ່ຫຼວງ

ຈາກຂະຫນາດ 0.8-ton ultra-anta ກັບນັກຮົບທີ່ຫນັກຫນ່ວງ 0.8- ໂຕນ, ຂະຫນາດນ້ອຍກໍາລັງຈະມີການວິວັດທະນາການທີ່ມີຄວາມຖີ່, ແລະການບໍາລຸງຮັກສາທີ່ມີຄວາມຫຼາກຫຼາຍ, ປ່ຽນແປງຮູບພາບທົ່ວໂລກ. ມີຍອດຂາຍປະຈໍາປີເກີນກວ່າ 3100 ຫນ່ວຍໃນຕະຫຼາດອິນເດຍແລະການປະຕິວັດໄຟຟ້າທີ່ປະມານ 4025, ການໃຊ້ວິທະຍາໄລ "


ປະສົບການກ່ຽວກັບການບໍາລຸງຮັກສາອຸດສາຫະກໍາ:

ສໍາລັບການຂຸດຄົ້ນທີ່ຫນາແຫນ້ນ, ການອອກແບບທີ່ຊັດເຈນແມ່ນກະດູກສັນຫຼັງ, ໃນຂະນະທີ່ການຮັກສາຊີວິດຂອງຊີວິດໂດຍ 1 ຢວນໂດຍ 1 ຢວນແລະຫຼຸດຜ່ອນຄ່າໃຊ້ຈ່າຍໃນການສ້ອມແປງໂດຍ 10 ຢວນ.



ຂ່າວທີ່ກ່ຽວຂ້ອງ
ຝາກຂໍ້ຄວາມໃຫ້ຂ້ອຍ
ຄໍາແນະນໍາຂ່າວ
ອີເມລ
market@everglorymachinery.com
ໂທ
+86-18153282520
ມືຖື
ທີ່ຢູ່
ເມືອງ ChangJiang West Road, ເມືອງ Huangdoo, ເມືອງ Qingdao City, Shandong, ແຂວງ Shandnong, ປະເທດຈີນ
X
ພວກເຮົາໃຊ້ cookies ເພື່ອສະເຫນີໃຫ້ທ່ານມີປະສົບການການຊອກຫາທີ່ດີກວ່າ, ວິເຄາະການເຂົ້າຊົມເວັບໄຊທ໌ແລະປັບແຕ່ງເນື້ອຫາ. ໂດຍການນໍາໃຊ້ເວັບໄຊທ໌ນີ້, ທ່ານຕົກລົງເຫັນດີກັບການນໍາໃຊ້ cookies ຂອງພວກເຮົາ. ນະໂຍບາຍຄວາມເປັນສ່ວນຕົວ
ປະຕິເສດ ຍອມຮັບ